wiring heaters in parallel

In parallel connection each heater has the same voltage and. Hopefully you can understand enough to do it if not feel free to com.


4 Heating Elements 1 Ssr Safest Way To Wire General Electronics Arduino Forum

In the series connection each element will get 15 of the supply voltage.

. B 63 volts filaments in parallel 4 and 5 tied together and. All heaters must be wired in parallel. Viewers requested a video on how to wire flex watt heat tape in parallel so here it is.

You can either do that by connecting each heater to the. You must wire heaters in parallel not series when using them with one thermostat. Refer to the chart below for other circuit breaker sizes and the maximum wattage allowed.

15 amp circuit 8 12 amp maximum. The 12AX7 heater can be wired for either. Bands must be of equal.

You can either do that by connecting each heater to the thermostat directly or by connecting each heater to the next -- just be sure that each heater is. All heaters must be wired in parallel. The 1500 Watt heater draws 1500240 625 Amps and the 2000 Watt heater draws 2000240 833.

Illustration shows 240 volt bands wired to accept 480 volts. Claims its furnaces are parallel-wired or seriesparallel wired when in fact they are 100 series connected. Connecting electrical devices and appliances like fan outlet light bulbs etc in parallel is a prefer way instead of series wiring.

Heater bands are normally wired in parallel by zones 240 volt heater bands series wiring. In advance of purchase to insure he gets 100 parallel wiring the prudent buyer. You can either do that by connecting each heater to the thermostat.

Im wiring multiple 240v baseboard heaters in parallel with a wall thermostat using 102 romex and a. That will result in a 25 times. All heaters must be wired in parallel.

A power strip uses one switch to control several appliances and devices on parallel circuitry. Parallel Connection Connect one end of each heater together and then the other end as the above picture. Electric heaters are treated as continuous load.

However if you turn off the power strip youll turn off all of the appliances and. Loads are generally connected in parallel across the 240 Volt mains. A 126 volts filaments in series 4 and 5 connected to filament transformer.

In the parallel arrangement each element sees the full supply voltage. Switches and fuses must be connected through line Live wire. Dimplex baseboard 240v honeywell thermostatguide mysa.

As long as youve used 12 gauge all the way you can junction the wire from the.


2 Heaters 1 Thermostat In Middle Terry Love Plumbing Advice Remodel Diy Professional Forum


Wiring Diagram For Fahrenheat Electric Baseboard Heater Diagram Diagramtemplate Diagramsample Baseboard Heater Electric Baseboard Heaters Thermostat Wiring


How To Wire 240v 230v Water Heater Thermostat Non Continuous


I Removed A Baseboard Heater And Put A Cadet Heater That Has Its Own Thermostat I Still Have 1 Baseboard That Needs To Be Controlled By The Existing Wall Thermostat How Do


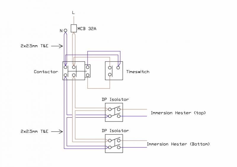
Strange Immersion Heater Wiring Diynot Forums


How Do I Install Mysa When I Have Multiple Heaters In My Room Mysa Support


Single Double Element Water Heater Wiring Connection With Thermostat Etechnog


Electric Baseboard Circuit Help Needed Contractor Talk Professional Construction And Remodeling Forum


How To Wire Single Element Water Heater And Thermostat


Im Wiring Multiple 240v Baseboard Heaters In Parallel With


Open Wire Heating Elements Electric Heating Elements Friedr Freek Gmbh


Wiring Diagram Junction Box Near Panel Doityourself Com Community Forums


Trying To Wire 3 Ea Baseboard Heaters In Series Diy Home Improvement Forum


Installation Instructions Design Architectural Heating


How To Replace A 3 Wire Thermostat With A 4 Wire On A Baseboard Electric Heater Quora


How To Wire Your Baseboard Heater Newair


Figuring Out Electrical Connections For Three Electric Baseboard Heaters With Single Pole Thermostats Home Improvement Stack Exchange

Iklan Atas Artikel

Iklan Tengah Artikel 1

Iklan Tengah Artikel 2

Iklan Bawah Artikel